液位继电器工作原理和特性,注意事项和实物接线图(图文详解)!
液位继电器工作原理和特性,注意事项和实物接线图(图文详解)!
液位开关,顾名思义,就是用来控制液位的开关。从形式上主要分为接触式和非接触式。非接触式的如电容式液位开关,接触式的例如:浮球式液位开关、电极式液位开关、电子式液位开关。电容式液位开关也可以采用接触式方法实现。

液位继电器是控制液面的继电器。这是一个继电器内部有电子线路。利用液体的导电性。当液面达到一定高度时继电器就会动作切断电源。液面低于一定位置时接通电源使水泵工作。达到自动控制的作用。自动控制由传感器和控制执行机构组成。液位控制器的传感器一般是导线。利用水的导电性。水的导电性较差,不能直接驱动继电器。所以要有电子线路将电流放大,以推动继电器工作。简化的话是这样。线分高低中三线,高为水位溢出点,自由控制水位高度,水位到此自动停止,低为点为自动加水点,水位在这个点时自动启动加水装置。中线为常触点。

JYB-714型液位继电器介绍
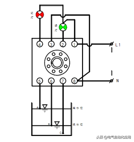
①、⑧端子为继电器工作电源接线端子,电源有AC380V和AC220V两种电源,图2中液位继电器电源为AC220V,即①端子接L1,⑧端子接N;
②、③、④端子输出液位继电器的自动控制信号,输出端子工作电压为AC220V,③端子为输出信号公共端,②和③之间输出供水泵液位控制信号,③和④之间输出排水泵液位控制信号;
⑤、⑥、⑦为水池中液位电极A、B、C对应的接线端子,液位电极端子间为DC24V的安全电压,⑤端子接高水位电极A,⑥端子接低水位电极B,⑦端子接水池中位置最低的公共电极C。注意,实验中入水电极采用1~1.5mm2的铜芯硬质绝缘线,入水一端剥离5mm绝缘皮。
供水型液位继电器与排水型液位继电器区别
供水型液位继电器缺水工作,水满停止。
排水性液位继电器水满工作,缺水停止。
排水型液位继电器使用说明
“高”为水池上限液位控制点,水位上升达到高点水位,水与探头(电极)接触,控制器自动开泵,开始排水。
“中”为水池下限液位控制点,水位下降至中点水位以下,水与探头(电极)脱离接触,控制器自动关泵,停止排水。
“低”为水池地线,放在水池的最低点,与水池底部接触。
液位继电器排水接线图



安装注意事项:
供水方式接线时,低端探头放在水池的底部,假如要把水池中的水用光后再打水,尽量可把中端探头靠近水池的底部,如需要水池中水位始终在高处,可调整中端探头的高度,高端探头为水池打水最高度的限制,当水池的水打满到高端探头时,水泵停止打水,当水池中的水用到低于中端探头时,水泵又开始打水,严禁自来水或外界无水时继电器工作,否则时间过长将烧坏水泵。
排水方式接线时,低端探头放在水池的底部,假如要把水池中的水排光,尽量可把中端探头靠近水池的底部,当外界的
水流满至高端探头时,水泵开始排水,当水池中的水位排到低于中端探头时,水泵停止工作。
-
- 刑事案底会影响三代人吗?治安拘留会不会留案底?
-
2023-12-12 19:41:20
-
- 详解DNF特别的快递第四弹 可开24个宠物,属性一览
-
2023-12-12 19:39:05
-
- 他是叶剑英元帅的曾孙,高标做事,低调为官,现任广东国企的副总
-
2023-12-12 19:36:50
-
- 强势新女团“ITZY”年纪最小的门面担当Yuna
-
2023-12-12 12:58:02
-
- 漫画迷的福利来了,少女漫《怦然心动》高清壁纸,一定有你喜欢的
-
2023-12-12 12:55:47
-
- 口吃矫正,治疗口吃最好的绕口令(收藏好)
-
2023-12-12 12:53:32
-
- 国内最受欢迎的4种泡面,每一种味道都很棒,看一看你吃过几种?
-
2023-12-12 12:51:18
-
- 电瓶车电瓶被偷了报警有用吗?亲身经历回答:有用,尽快去
-
2023-12-12 12:49:03
-
- 403米,广西第一高楼-广西华润大厦刷新南宁天际线
-
2023-12-12 12:46:48
-
- 推荐《影后的嘴开过光》,女主乌鸦嘴会符术,好笑又好看
-
2023-12-12 12:44:33
-
- 苏大校长熊思东寄语毕业生:愿你们成为地表最强的六边形战士
-
2023-12-12 12:42:19
-
- 十几只工蜂带蜂王能饲养成功吗?可能性小,但3种情况下可能成功
-
2023-12-12 12:40:04
-
- 千古名句“生死有命,富贵在天”,下句才是精华,可惜十人九不知
-
2023-12-12 12:37:49
-
- 荔枝最好吃的5个品种,“桂味”只排第二,第一堪称“荔枝之王”
-
2023-12-12 06:01:18
-
- 建设工程质保金规定是怎样的?
-
2023-12-12 05:59:03
-
- 记我国第一代钢琴大师巫漪丽
-
2023-12-12 05:56:48
-
- 火影忍者:忍界经历了四次忍界大战,你知道分别都是哪四次吗?
-
2023-12-12 05:54:33
-
- 读懂这些解释,就知道12年义务教育还远着呢
-
2023-12-12 05:52:19
-
- E站关闭,“本子”界秋名山倒塌,全球数百万老司机将何去何从?
-
2023-12-12 05:50:04
-
- 14套农村平房效果图,第3套好看又省钱,第12套中式小院太赞了
-
2023-12-12 05:47:49



开封犹太人在中国17个姓氏,实际上只有七姓八家,现存6姓
河北区划调整猜想:撤销邢台市,整体并入邯郸市