电气工程图纸常见符号及意义
2025-08-19 15:39 来源:贴说网 点击:
电气工程图纸常见符号及意义
以下节选自《GB50786-2012 建筑电气制图标准》
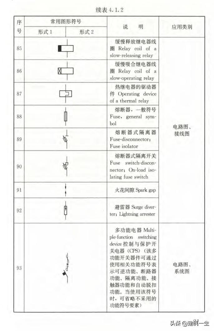
强电图纸中的符号及意义























弱电图纸常用符号





有限电视系统图纸符号


广播系统图纸常用符号

安全技术防范系统图纸常用符号



设备监控系统图纸常用符号


图纸电气线路符号


电气设备标注样式


线缆敷设方式


灯具安装符号

供配电系统符号


设备端子和导体符号

电气设备常用参照代号的字母代码








常用辅助文字符号




电气设备辅助文字符号


信号灯和按钮颜色标识


导体的颜色标识


下载地址
相关标签:
-
- 一组童年老照片:7080后的回忆,你的童年是这样么?满满的回忆
-
2025-08-19 15:36:48
-
- 母亲节背后的故事你知道吗?中国母亲节到底是哪天?
-
2025-08-19 15:34:33
-
- 可惜!23岁老师参加校内长跑猝死?知情人:诊断书已出,评论沦陷
-
2025-08-19 15:32:18
-
- 广西学霸杨晨煜高考730分,就读清华智班,他的学习方法值得借鉴
-
2025-08-19 05:36:39
-
- 乌兰巴托的夜,听谭维维唱歌的人请别流泪
-
2025-08-19 05:34:25
-
- 乌克兰战火未消,土耳其趁机大打出手,盟友挨打美国却爱莫能助
-
2025-08-19 05:32:10
-
- 可怕的阴兵借道,到底是传说,还是真实存在的事件?
-
2025-08-19 05:29:55
-
- 南美之旅(13)品巴西烤肉,走桑巴舞大道
-
2025-08-19 05:27:40
-
- 关东军和日本陆军有什么不同?为何敢如此肆无忌惮,不听陆军命令
-
2025-08-19 05:25:26
-
- 天津赶海、遛娃新去处—东疆港亲海公园,免费,好玩,收获满满
-
2025-08-19 05:23:11
-
- 盘点韩国四部R级伦理电影,部部精彩,尺度之大三观尽毁
-
2025-08-19 05:20:56
-
- 搞笑图片50张,总有一张逗你笑,你坚持到第几张才笑?
-
2025-08-19 05:18:42
-
- 2024年江苏省淮安市普通高中录取分数线及层次分析
-
2025-08-19 05:16:27
-
- 在青岛抢劫强奸灭门,4吉林朝鲜族凶手全部死刑!
-
2025-08-18 05:45:20
-
- 世界耳机十大品牌
-
2025-08-18 05:43:05
-
- 2023年:俄罗斯经济负重前行
-
2025-08-18 05:40:50
-
- 性感火辣奚梦瑶,美艳妖娆,迷倒万千当仁不让
-
2025-08-18 05:38:36
-
- 日本名曲赏析丨欣赏美空云雀一首祈求世界和平的歌曲
-
2025-08-18 05:36:21
-
- 情人之间有真爱吗?为什么最后的结局不是陌生人,就是仇人
-
2025-08-18 05:34:06
-
- 刘欢、于和伟、吴秀波出演,这部精彩的抗日谍战剧却迟迟未能播映
-
2025-08-18 05:31:51



开封犹太人在中国17个姓氏,实际上只有七姓八家,现存6姓
河北区划调整猜想:撤销邢台市,整体并入邯郸市